Products
取扱商品
“KOYO POLICY” IS BETTER QUALITY AT LOWER PRICE
“KYOWA” PRODUCTS
“KYOWA TEST PUMP”

FEATURES

- Achievement of high pressures 50,300,500,1000kg/cm2 by simple mechanism and operation
- Easy-to-carry handy type
- Ligthweight and rust-free plastic tank, with dust-proof cover
- With direct-coupled type ball tap available for city water suppy, …easy to feed water
- Pressure gauge with 100φ large vibration absorber
- The closing valve is of special construction of Kyowa original design.
- T-50N is designed for large sustion/discharge rate and light-weight, having the capacity several times the conventinal model
- T-50N is simply connected with a 1.5m high pressure hose with one-touch coupler.
SPECIFICATIONS
| Max pressure Mpa | Plunger dia. | Stroke mm | Suction rate/stroke c.c. | Tank volum l | Discharge nozzle size | Weight kg | Size L×H×W | Accessories | |
| T-50N (T-50NDX) | 5 | 30 | 45 | 32.0 | 18 | 3/8 | 8.0 | 610×375×290 | Hose ass’y with coupler 3/8k×1.5m |
| T-300N (T-300NDX) | 30 | 12 | 45 | 5.0 | 18 | 3/8 | 8.0 | 610×375×290 | Hose ass’y 3/8k×1m |
| T-500N (T-500NDX) | 50 | 8 | 30 | 1.5 | 18 | 3/8 | 9.5 | 630×410×270 | Hose ass’yr 3/8k×1m |
| T-1000N (T-1000NDX) | 100 | 8 | 30 | 1.5 | 18 | 3/5 | 9.5 | 630×410×270 | Hose ass’yr 3/8k×1m |
NOTE: MODEL NUMBER HAS BEEN CHANGED T-XXXXN FROM T-XXXXNDX BUT ANY OTHER SPECIFICATION HAS BEEN UNCHANGED.
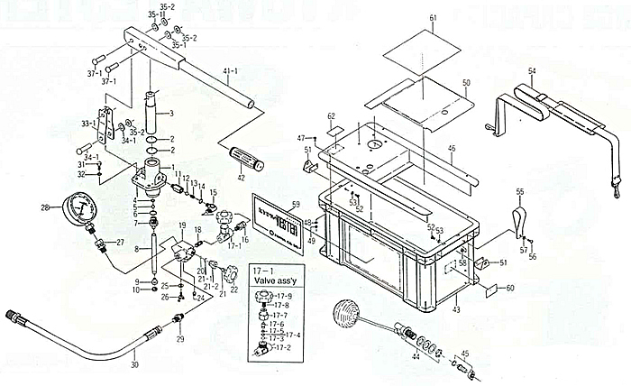
N-Series CONSTRUCTION

T-50N shown, Configuration differs slightly for T-300N, T-500N and T-1000N.
Please be sure to speeify model when you contact us.
| No. | Part name |
| 1 | Cylinder |
| 2 | O-ring P-30 |
| 3 | Plunger |
| 4 | Snap ring |
| 5 | Snap ring Suction valve ball 3/8 |
| 6 | O-ring P-18 |
| 7 | Suction nipple |
| 8 | Suction pipe |
| 9 | Strainer fitting |
| 10 | Strainer |
| 11 | Suction valve chamber |
| 12 | Suction valve ball 3/8 |
| 13 | Suction valve spring |
| 14 | O-ring P-11 |
| 15 | Suction port elbow 1/4 |
| 16 | Valve joint 1/4 |
| 17-1 | Valve ass’y |
| 17-2 | Stop valve substance |
| 17-3 | Valve ball |
| 17-4 | O-ring P-7 |
| 17-5 | Back up ring |
| 17-6 | Valve ball hold |
| 17-7 | Cap |
| 17-8 | Stop valve shaft |
| 17-9 | Valve handle A |
| 18 | Nipple 1/4 |
| 19 | Gauge stand |
| 20 | Excluding pressure valve ball 3/6 |
| 21-1 | Push nut |
| 21-2 | Excluding pressure valve shaft fitting |
| 21 | Excluding pressure valve shaft |
| 22 | Valve handle B |
| 24 | Plug |
| 25 | Flat washer |
| No. | Part name |
| 26 | Bolt |
| 27 | Pressure gauge joint 3/8 |
| 28 | Pressure gauge j100 φ×35k |
| 29 | Nipple 3/8 |
| 30 | Anti-pressure hose |
| 31 | Bolt |
| 32 | Flat washer |
| 33-1 | Support |
| 34-1 | Support pin φ12×45 |
| 35-1 | Flat washer |
| 35-2 | Speed nut |
| 37-1 | Support pin φ12×40 |
| 41-1 | Handle |
| 42 | Grip |
| 43 | Tank(water tank) |
| 44 | Ball tap ass’y |
| 45 | Suction coupling |
| 46 | Pump stand |
| 47 | Small screw |
| 48 | Flat washer |
| 49 | Nut |
| 50 | Tank cover |
| 51 | Hanging fitting |
| 52 | Smal screw |
| 53 | Flat washer |
| 54 | Dangle belt |
| 55 | Handle belt |
| 56 | Small screw |
| 57 | Flat washer |
| 58 | Nut |
| 59 | Main name plate |
| 60 | Equipment name plate |
| 61 | Manyal name plate |
| 62 | Model name plate |
TESTER INSTALLATION

TESTING PROCEDURE
(1) Connest valves C,D to the test pipe.
(2) Connect to the valve D with a connecting hose.
(3) Feed water into the test pipe from this tester tank or the city water service line, through the vlve D, while purging out the air from valve C.(Feef water till the pipe gets full.)
(4) Replenish water into the water tank and then open valves A,B. Thereafter, reciprocate vertically the handle(B) till water begins to come out from the valve B after complete purge-out of the air from the pump. When the water vegan to come out, close the valve B tightly.
(5) Open the valve D and feed water from the tester till water begins to flow out from the valvw C, subsequent to purge-out of the air. When water began to flow out, close the valve C tightly.
(6) When the specified pressure is reached, close the valve A tightly.
●At this time, pressure is reached, close the valve A tightly.
Reversely, no-drop of pressure will show that the test pipe passes the pressure test.
(7) After the test, release the applied pressure through the valve B.
●When continuous water feed is required, connect the ball tap to city water service line.
“KYOWA “JET CLEANER KYC-20A

New and Striking Pumps for Cleaning Applications from KYOWA!
“KYOWA” JET CLEANER KYC-20A with Unique Pumping Mechanism(Pat.Pendeing)
They are Compact, Super Lightweight, and Unbeatable in Pumping Performance.
KYOWA JET CLEANPAK
■ Oil-less construction (no lubrication oil grease required) need no maintenance.
■ High-pressure outpt comes from efficiency-oriented “no monsense” design.
■ Differential operation (one suction and two dischargers per cycle) keeps the discharge fluctuations very low.
■ Close-coupled construction eliminates problems normally associated with the motor drive, such as belt slipping.
■ Design that fully utilizes rolling frictions (utility model and design registration being applied for) keeps the starting torque to minium and provides maxmum output.
■ Simple and rugged construction permits easy disassembly, cleaning, and re-assembly.
■ Compact and super-lightweight structure makes it handy and protabale.
■ Newly developed universal nozzle permits almost every washing job with ease.
SPECIFICATIONS
| Type. | Dimensions in mm, L×H×W | Weight in kg | Pump | Electric Motor | |||
| Pressure in kg/cm2 | Discharge in l/min | Revolutions per minute | Type** | Output in W | |||
| CLEANPAK. KYC-20A | 250×210×230 | 9 | 40(PSI 560) | 2.9/3.5 | 1430/1740 | Single-phase, 50/60Hz | 250 |

T-50N shown, Configuration differs slightly for T-300N, T-500N and T-1000N.
Please be sure to speeify model when you contact us.
APPLICATIONS
1. Air conditioner Cleaning.
2. Car engine compartment Cleaning.
3. Washing and finishing in plasterers work.
4. Food processing eqipment Cleaning.
5. Farm tool and machine Cleaning.
6. Insecting machine Cleaning.
7. Steel Pipe Cleaning.

“KYOWA “JET CLEANER KYC-40A


100V OILLESS PUMPS EASILY-OPERABLE ANY TIME AND ANYWHERE
PAT No,1482152 ・意匠登録 No.571988
Registration of Designs
ACCESSORIES

KYC-40A SPECIFICATIONS
| Model. | Pressure (MPa) | Discharge (l/min) | Moter (KW) | Water feed system | Dimension L×W×H(mm) | Weight (kg) |
| KYC-40A | 3.5 | 7 | 0.4 | Self-primig | 325×255×240 | 17 |
